致力于开发电力及其监测自动化领域方面的技术产品-河南省垠兴电力设备有限公司
返回首页
联系方式
科技创新 服务社会
节能、安全、实用、环保的产品开发思路
全国服务热线
4008320692
网站首页
关于我们
公司简介
企业文化
公司资质
产品展示
高压柜产品
低压柜产品
箱变产品
计量装置产品
三箱类产品
电缆分接箱
环网柜
新闻资讯
公司新闻
行业动态
技术知识
资质荣誉
合作伙伴
人才招聘
联系我们
联系方式
在线地图
在线留言
您的当前位置:
首页
/
产品展示
4008320692
产品展示
PRODUCT DISPLAY
高压柜产品
低压柜产品
箱变产品
计量装置产品
三箱类产品
电缆分接箱
环网柜
全国咨询热线:
4008320692
公司地址:
河南省南阳市雪枫路与南新路交汇处
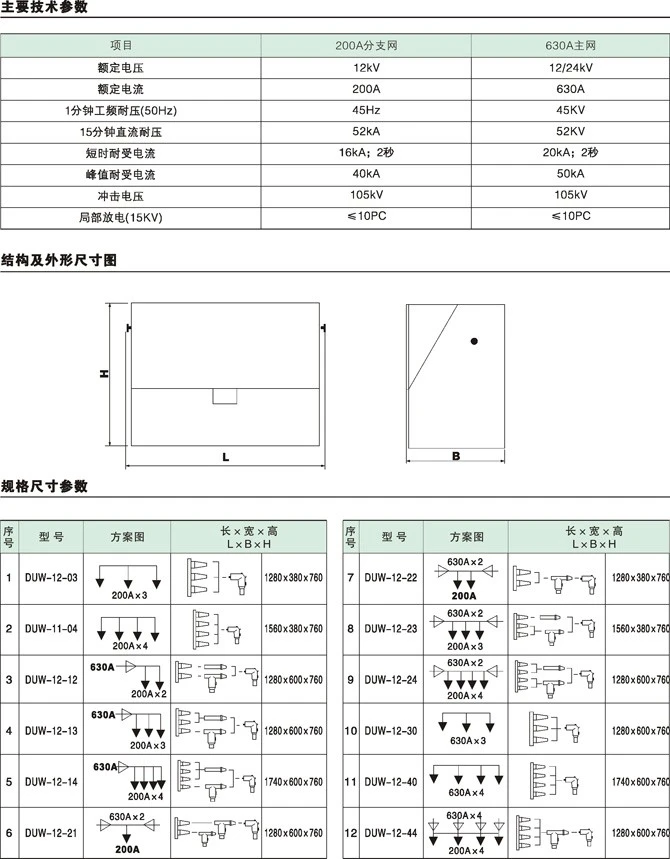
DUW-12母排型连接电缆分接箱(美式)
详情
上一篇:
XGW-12内装SF6六氟化硫负荷开关柜电缆分接箱
下一篇:
DFW-12T型连接电缆分接箱(欧式)
友情链接
LINKS
二维码
联系方式
4008320692
在线留言
返回顶部